Aloyco Swing Check Valves
Filter
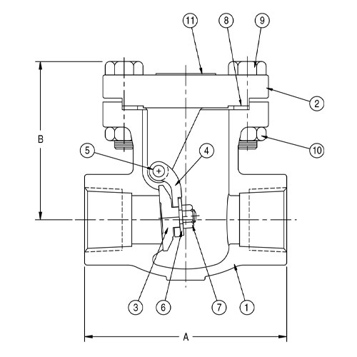
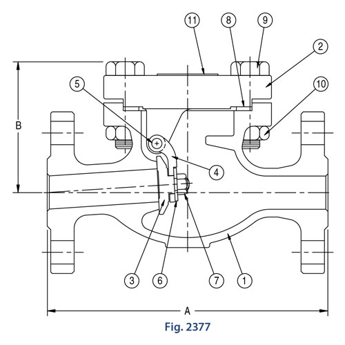
Swing Check Valves are the most popular type of check valve, meaning they allow flow to move in direction, while also preventing backflow. They use a swinging disc to control the flow of many kinds of fluid or gas in a pipeline. This hinge mechanism is what gives these check valves their “swing” name.
Unlike the manual handwheel actuation of many other types of valves, check valves operate automatically, eliminating the need for active adjustment or maintenance. Swing check valves specifically use a seat and disc that are linked by a hinge, and this hinge moves based on the flow rate. When fluid flows through the valve, the pressure it creates forces the disc open to allow for an uninterrupted flow in the intended direction. But when flow stops or reverses, the drop in pressure causes the disc to swing back and sit snugly on the seat, sealing away any backflow. Swing check valves can be installed in horizontal position or some vertical, upward flow positions. The direction of flow can usually be found indicated with an arrow on the valve itself.
The simple, automatic functionality of swing check valves makes them the go-to unidirectional flow solutions for applications where a certain level of pressure must be maintained and backflow prevention is top priority, especially for safety reasons. Swing check valves are commonly found in gas pipelines, like in power plants, gas transmission, gas processing, and refineries, because they can help prevent gas from flowing improperly and therefore, prevent any future leaks or even fires. They also pair well with industrial systems that have large, predictable flow, like in water treatment, water supply, irrigation, chemical plants, and oil processing. They are also well suited for use commercial and residential applications like HVAC and plumbing systems.
Cooney Brothers is proud to bring our customers a diverse selection of swing check valves from the brands and product lines you trust with your operations. We stock a large range of Aloyco Swing Check Valves, Apollo Swing Check Valves, Crane Swing Check Valves, Merit Brass Swing Check Valves, Spears Swing Check Valves, Titan Swing Check Valves, and more!
We also carry a large selection of popular swing check valve product lines from Crane, such as Crane 76E Swing Check Valves, Crane 147XU Swing Check Valves, and Crane 373 Swing Check Valves.
We stock both domestic and import valves anywhere from ¼” to 24” in size and 125 to 600 in pressure class. We offer low lead compliance options as well as a variety of body materials, softgoods materials, trims, and other configurations. Our stock of body materials includes Alloy 20 Swing Check Valves, Bronze Swing Check Valves, CPVC Swing Check Valves, Carbon Steel Swing Check Valves, Stainless Steel Swing Check Valves, Cast Iron Swing Check Valves, and Ductile Iron Swing Check Valves. There are two swing check design types that our customers can choose from; traditional top-hinged swing check valves, which are the most popular, and Y-pattern Swing Check Valves, which offer less resistance, making them better suited for systems that require top-rated flow efficiency and minimal pressure drop. We also stock a variety of end styles such as Buttweld, Flanged, Grooved, Socket, Socket Weld, Socket Joint, Threaded, and Wafer.
Contact us for expert advice on your unique application and explore our selection of top-performing swing check valves.
CBPN:
110748
MPN:
377C02020
CBPN:
256173
MPN:
2374C02020
CBPN:
110749
MPN:
377C02006
CBPN:
26072
MPN:
377C02030
CBPN:
122857
MPN:
377C02040
CBPN:
180307
MPN:
2370C02004
CBPN:
265839
MPN:
2370C02006
CBPN:
233510
MPN:
2370C02010
CBPN:
265840
MPN:
2370C02014
CBPN:
128036
MPN:
2370C02020
CBPN:
265841
MPN:
2374C02004
CBPN:
265842
MPN:
2374C02006
CBPN:
256175
MPN:
2374C02010
CBPN:
256174
MPN:
2374C02014
CBPN:
232221
MPN:
2377C02004





