Globe Valves
Filter
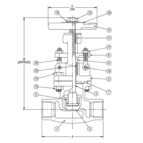
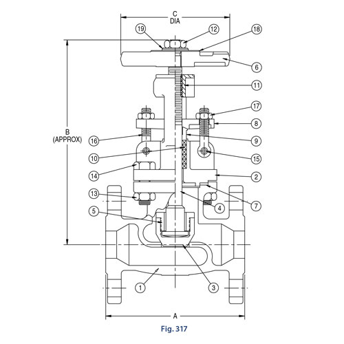
Globe Valves are efficient start, stop, and/or regulate flow valves that are used to control the flow of fluid in pipes or tubes. They use a movable disk-type element for the opening, closing, or throttling of water, steam, gas, oil, and more. Renowned for precise flow regulation and control within various systems, its throttling function accurately regulates the rate at which fluid flows by how far the valve is opened.
Globe valves have handwheel actuators that control the open, close, and regulate mechanisms. When you turn the handwheel, its stem connects to a disc that moves towards or away from a stationary seat ring. This ensures both accurate flow control and a tight seal when closed, making globe valves the first choice in systems that require frequent, exact adjustments. While globe valves are considered bidirectional, it is usually recommended to install them in a specific flow direction for optimal flow. This direction of flow can be found stamped or printed on the valves to direct you on how to install it in the proper position.
Globe Valves are perfectly designed for applications that require precise and frequent regulation, where drops in pressure and low amounts of flow friction are not a concern. These valves should also always be installed so that when valves are in full off, the pressure is exerted under the disc. Globe valves can be used to start, stop, and regulate flow in applications such as cooling water systems, fuel oil systems, feedwater and chemical feed systems, power plants, process plants, wastewater plants, and both boiler and main steam lines. They are also used in buildings with systems that use upstream flow, like water heaters and other equipment.
Cooney Brothers is proud to bring its customers a broad range of globe valves in various configurations and made by top-picked brands. We carry a versatile collection of Aloyco Globe Valves, Apollo Globe Valves, Crane Globe Valves, Spears Globe Valves, and Spirax Sarco Globe Valves.
We also offer a sizeable collection of globe valve product lines from Crane, such as Crane L143XU Globe Valves, Crane L151XU Globe Valves, Crane L171XU Globe Valves, Crane 382P Globe Valves, and more!
We carry both domestically made and import globe valves in our stock that range from ⅛” to 16” in size and 125 to 800 in pressure class. We stock a sizeable array of body materials in various configurations, including A105 Forged Steel Globe Valves, Stainless Steel Globe Valves, Cast Steel Globe Valves, Cast Iron Globe Valves, CPVC Globe Valves, PVC Globe Valves, Bronze Globe Valves, and Lead-Free Globe Valves. All our stock of globe valves come in “T” or “Y” pattern designs. The T shape is the traditional design and is found in most of our globe valve stock. However, we do stock some Y-Pattern Globe Valves as they offer a more direct flow path and lower pressure drop than traditional globe valves. We also offer a range of end styles including Buttweld, Socket weld, Socket, Flanged, Threaded FNPT, and special reinforced FNPT. The bonnet that connects the stem and disc comes screwed, bolted, welded, or pressure-sealed, depending on application.
Contact us for technical product and service expertise and explore our selection of high-quality globe valves.
CBPN:
1832
MPN:
LB3644XUT-1
CBPN:
1831
MPN:
LB3644XUT-3/4
CBPN:
152474
MPN:
L151-1/2XU-4
CBPN:
11860
MPN:
7TF-2
CBPN:
11952
MPN:
L143XU-3
CBPN:
1832
MPN:
LB3644XUT-1
CBPN:
265854
MPN:
314C02006
CBPN:
138071
MPN:
317C02030
CBPN:
11857
MPN:
7TF-1
CBPN:
1831
MPN:
LB3644XUT-3/4
CBPN:
11865
MPN:
382P-1
CBPN:
11859
MPN:
7TF-1-1/2
CBPN:
152474
MPN:
L151-1/2XU-4
CBPN:
138341
MPN:
314C02010
CBPN:
74230
MPN:
317C02010
CBPN:
265856
MPN:
317C02014
CBPN:
138004
MPN:
317C02060
CBPN:
11863
MPN:
382P-1/2








